36
30841.00р.
При заказе через сайт скидка 7% по промокоду "2025"
Заводской артикул
SWPB300TПогружной
Нет- Cупер надежность гарантия 2 года
- Прочность соединений патрубки усиленные металлическим кольцом
- Функция самовсасывания максимальная высота 3 м
- Прозрачная крышка префильтра облегчает процесс обслуживания
- Ручка для транспортировки удобство при монтаже и переноске
Насос AquaViva LX SWPB300Т
Самовсасывающий насос AquaViva LX SWPB300Т используется для напорной подачи и циркуляции воды в бассейнах среднего объема домашнего назначения. Производительность насоса составляет 28 м³/час при высоте столба в 10 м. Конструкция насоса AquaViva LX SWPB выполнена по современной технологии с использованием долговечных термостойких, антикоррозийных материалов. Диаметр всасывающего и напорного патрубка для подключения к водопроводной системе составляет 2” под резьбовое соединение.
• Степень защиты : IP55 • Класс изоляции: F • Материал корпуса: термопластик • Префильтр с прозрачной крышкой
- Потребляемая мощность 2.2 кВт
- Полезная мощность 3.0 HP
- Производительность 28 м³/час
- Объем бассейна 112 м³
- Количество фаз 3 (380В)
Пропускная способность насосов AquaViva LX SWPB
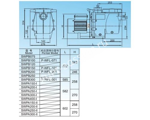
Технические характеристики насосов AquaViva серии LX SWPB
| Модель | Q (Л/мин) | H (м) | Мощность | Количество фаз | ||
|---|---|---|---|---|---|---|
| кВт | Л.С. | Одна фаза | Три фазы | |||
| SWPB075(T) | 285 | 12 | 0.55 | 0.75 | 572 | 572 |
| SWPB100(T) | 315 | 15 | 0.75 | 1.0 | 572 | 572 |
| SWPB120(T) | 335 | 17 | 0.9 | 1.2 | 572 | 572 |
| SWPB150(T) | 400 | 19 | 1.1 | 1.5 | 572 | 572 |
| SWPB200(T) | 480 | 21 | 1.5 | 2.0 | 572 | 572 |
| SWPB250(T) | 530 | 21 | 1.85 | 2.5 | 572 | 572 |
| SWPB300(T) | 550 | 22 | 2.2 | 3.0 | 585 | 572 |
Схема установки LX SWPB
Характеристики
Заводской артикул
SWPB300T
Погружной
Нет
Самовсасывающий
Да
Для соленой воды
Нет
Наличие префильтра
Да
Переменная скорость
Нет
Назначение насоса
Частные бассейны, Общественные бассейны
Количество фаз
3 (380-400 В)
Производительность, м³/ч (при h)
28 при 10 м
Соединение
2"
Входная мощность, кВт
2.2
Дополнительно
Корпус: термопластик
Размер
585х276х314 мм
Вес, кг
16
Производитель
Aquaviva
Гарантия
24 месяца. Гарантия предоставляется при условии проведения своевременного регулярного технического обслуживания и замены расходных материалов. При монтаже насоса требуется дополнительная установка автомата защиты двигателя.
Страна производства
Китай
Отзывов: 0
Нет отзывов об этом товаре.
насос Aquaviva
насос для бассейна
Aquaviva LX SWPB300T
насос 380В
насос с производительностью 28 м3/ч
насос 3HP
оборудование для бассейнов
насосы для воды
купи бассейн
насосы Aquaviva
насос для фильтрации бассейна
высокопроизводительный насос
насос с высоким давлением
насос для очистки воды
бассейн
оборудование для водообмена
Aquaviva
Компания Aquaviva является одним из ведущих производителей оборудования для бассейнов, предлагая широкий ассортимент высококачественных товаров, которые помогут создать идеальное пространство для отдыха и релаксации. Мы понимаем, что бассейн – это не... Подробнее...Похожие товары
