Warning: unlink(/var/www/kupibas/data/www/storage/cache/cache.article.total.1.0.1.510df4f199151ec834717e7a6f19f35a.1771186626): No such file or directory in /var/www/kupibas/data/www/kupi-bassein.ru/system/library/cache/file.php on line 68 Купить насос Aquaviva LX WEQ400 (380 В, 60 м3/ч, 4HP) для бассейна
Код товара:
25663
Артикул:
25663
Производители
Aquaviva
0
127779.00р.
При заказе через сайт скидка 7% по промокоду "2025"
Заводской артикул
WEQ400 Pl. base
Для соленой воды
Да
Все характеристики
Скидка 7% при заказе через сайт! Промокод "2025"
Консультация и подбор
  1. Идеальный вариант
    для циркуляции воды
    в бассейнах объемом 240-768 м³
  2. Универсальное решение
    для противотоков
    и аттракционов в SPA,
    бассейнах и прудах любого
    размера
  3. Подходит для соленой
    и морской воды
  4. Удобный монтаж
    благодаря встроенной
    подставке
  5. Тихая работа
 
Насос Aquaviva LX WEQ
с пластиковой подставкой
Насос Aquaviva LX WEQ – это отличный вариант для циркуляции воды в коммерческих и общественных бассейнах емкостью от 240 до 768 м³. Главные преимущества насоса – тихая работа и низкий расход электроэнергии.

Классы защиты и изоляции F и IP55 гарантируют высокую эффективность работы насоса и длительный срок эксплуатации. Максимальная рабочая температура воды 50°C.

Насос комплектуется пластиковой подставкой, благодаря которой обеспечивается удобный монтаж.

  1. 3-18.5 кВт
    Потребляемая мощность
  2. 4-25 л.с.
    Полезная мощность
  3. 60-192 м³/ч
    Производительность при
    высоте 10 м
  4. 240-768 м³
    Рекомендованный объем бассейна
  5. 3 (380-400 В)
    Количество фаз
Производительность насосов Aquaviva серий LX SEQ/WEQ
в зависимости от высоты водяного столба
 
Технические характеристики
насосов Aquaviva серий LX SEQ/WEQ
Модель Потребляемая
мощность, кВт
Полезная
мощность, л.с
Производительность при высоте водяного столба 10 м, м³/ч
SEQ/WEQ400T 3 4 60
SEQ/WEQ500T 4 5 82
SEQ/WEQ750T 5.5 7.5 100
SEQ/WEQ1000T 7.5 10 122
SEQ/WEQ1500T 11 15 168
SEQ/WEQ2000T 15 20 185
SEQ/WEQ2500T 18.5 25 192
Модель SEQ/WEQ400T
Потребляемая мощность, кВт 3
Полезная мощность, л.с. 4
Производительность при
высоте водяного столба 10 м,
м³/ч
60
Модель SEQ/WEQ500T
Потребляемая мощность, кВт 4
Полезная мощность, л.с. 5
Производительность при
высоте водяного столба 10 м,
м³/ч
82
Модель SEQ/WEQ750T
Потребляемая мощность, кВт 5.5
Полезная мощность, л.с. 7.5
Производительность при
высоте водяного столба 10 м,
м³/ч
100
Модель SEQ/WEQ1000T
Потребляемая мощность, кВт 7.5
Полезная мощность, л.с. 10
Производительность при
высоте водяного столба 10 м,
м³/ч
122
Модель SEQ/WEQ1500T
Потребляемая мощность, кВт 11
Полезная мощность, л.с. 15
Производительность при
высоте водяного столба 10 м,
м³/ч
168
Модель SEQ/WEQ2000T
Потребляемая мощность, кВт 15
Полезная мощность, л.с. 20
Производительность при
высоте водяного столба 10 м,
м³/ч
185
Модель SEQ/WEQ2500T
Потребляемая мощность, кВт 18.5
Полезная мощность, л.с. 25
Производительность при
высоте водяного столба 10 м,
м³/ч
192
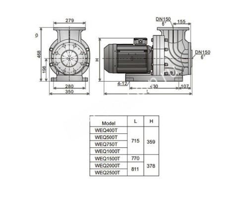
Основные размеры насосов Aquaviva серии WEQ
Модель WEQ400T WEQ500T WEQ750T WEQ1000T WEQ1500T WEQ2000T WEQ2500T
А, мм 279 279 279 279 279 279 279
В, мм 468 468 468 468 468 468 468
С, мм 198 198 198 198 198 198 198
D, мм 280 280 280 280 280 280 280
E, мм 350 350 350 350 350 350 350
F, мм 155 155 155 155 155 155 155
G, мм 430 430 430 430 430 430 430
H, мм 359 359 359 359 378 378 378
I, мм 107 107 107 107 107 107 107
J, мм 4-12 4-12 4-12 4-12 4-12 4-12 4-12
K, мм 715 715 715 715 770 811 811
DN, дюймы 6 6 6 6 6 6 6
Модель WEQ 400T
A, мм 279
B, мм 468
C, мм 198
D, мм 280
E, мм 350
F, мм 155
G, мм 430
H, мм 359
I, мм 107
J, мм 4-12
K, мм 715
DN, дюймы 6
Модель WEQ 500T
A, мм 279
B, мм 468
C, мм 198
D, мм 280
E, мм 350
F, мм 155
G, мм 430
H, мм 359
I, мм 107
J, мм 4-12
K, мм 715
DN, дюймы 6
Модель WEQ 750T
A, мм 279
B, мм 468
C, мм 198
D, мм 280
E, мм 350
F, мм 155
G, мм 430
H, мм 359
I, мм 107
J, мм 4-12
K, мм 715
DN, дюймы 6
Модель WEQ 1000T
A, мм 279
B, мм 468
C, мм 198
D, мм 280
E, мм 350
F, мм 155
G, мм 430
H, мм 359
I, мм 107
J, мм 4-12
K, мм 715
DN, дюймы 6
Модель WEQ 1500T
A, мм 279
B, мм 468
C, мм 198
D, мм 280
E, мм 350
F, мм 155
G, мм 430
H, мм 378
I, мм 107
J, мм 4-12
K, мм 770
DN, дюймы 6
Модель WEQ 2000T
A, мм 279
B, мм 468
C, мм 198
D, мм 280
E, мм 350
F, мм 155
G, мм 430
H, мм 378
I, мм 107
J, мм 4-12
K, мм 811
DN, дюймы 6
Модель WEQ 2500T
A, мм 279
B, мм 468
C, мм 198
D, мм 280
E, мм 350
F, мм 155
G, мм 430
H, мм 378
I, мм 107
J, мм 4-12
K, мм 811
DN, дюймы 6
 
Разборная схема насосов
Aquaviva серии LX WEQ
Название детали
1 Корпус насоса
2 Уплотнительное кольцо
3 Саморез
4 Диффузор
5 Гайка рабочего колеса
6 Шайба
7 Фиксатор
8 Уплотнительное кольцо диффузора
9 Крыльчатка
10 Механическое уплотнение
11 Уплотнительное кольцо
12 Фланец насоса
13 Болт с шестигранной головкой
14 Шайба
15 Шайба пружинная
16 Адаптер фланца
17 Болт с шестигранной головкой
18 Шайба пружинная
19 Шайба
20 Шестигранная гайка
21 Мотор
22 Шайба
23 Болт с шестигранной головкой
24 Антивибрационная вставка
25 Подставка
26 Шайба пружинная
27 Уплотнительное кольцо
Схема установки насосов Aquaviva серии LX WEQ
  1. 1
    Бассейн
  2. 2
    Насос Aquaviva серии LX WEQ
  3. 3
    Фильтр Aquaviva серии ARTIC
  4. 4
    Система обеззараживания Sugar Valley Aquascenic HD
  5. 5
    Средство для коррекции pH
  6. 6
    Дозирующий насос реагента pH
 
О компании Aquaviva
Aquaviva – ведущий производитель оборудования, комплектующих и аксессуаров для бассейнов, аквапарков и спа. Многолетний опыт производственного процесса и использование новейших технологий направлены на постоянное улучшение качества и способность адаптировать продукцию под клиента. Разработчики воплотили в жизнь огромное количество проектов по водоочистке, водоподготовке, дезинфекции и фильтрации воды как для частных, так и для промышленных целей.

Высококачественные материалы, строгий контроль и автоматизация производства – гарантия надежной, долговечной и высокотехнологичной продукции Aquaviva. Инновационные технологии и активная динамика развития производственных линий позволяют быть на шаг впереди своих конкурентов. Производственные мощности компании расположены на территории Европы и Азии.

Руководствуясь принципами честности и открытости, компания Aquaviva завоевала уважение и признание клиентов по всему миру.

Характеристики

Заводской артикул
WEQ400 Pl. base
Для соленой воды
Да
Наличие префильтра
Нет
Переменная скорость
Нет
Назначение насоса
Частные бассейны, Общественные бассейны, Противотоки
Количество фаз
3 (380-400 В)
Производительность, м³/ч (при h)
60 при 10
Соединение
150 мм (6")
Входная мощность, кВт
2.2
Дополнительно
Питание: 380B/50Гц
Размер
715х468х350 мм
Производитель
Aquaviva
Гарантия
24 месяца. Гарантия предоставляется при условии проведения своевременного регулярного технического обслуживания и замены расходных материалов. При монтаже насоса требуется дополнительная установка автомата защиты двигателя.
Страна производства
Китай
Отзывов: 0
Пожалуйста авторизируйтесь или создайте учетную запись перед тем как написать отзыв

Нет отзывов об этом товаре.

Aquaviva

Компания Aquaviva является одним из ведущих производителей оборудования для бассейнов, предлагая широкий ассортимент высококачественных товаров, которые помогут создать идеальное пространство для отдыха и релаксации. Мы понимаем, что бассейн – это не... Подробнее...
Похожие товары
Насос Aquaviva LX WP500-Т (380В, 67м³/ч, 5лс)
Заводской артикул: WP500Т Рабочая температура воды, °С: От +5 до +50 Условия доставки: Доставка осуществляется после 100% предоплаты
33
39294.00р.
Насос Hayward HCP11653E7 KT610T2.B IE3 (380В, 88м³/ч, 6.5лс)
Заводской артикул: HCP11653E7 Погружной: Нет Рабочая температура воды, °С: до 50
3
210034.00р.
Насос AquaViva LX SLP750T (380В, ПФ, 89м³/ч*12м, 5.5кВт, 7.5лс)
Заводской артикул: SLP750T Погружной: Нет Для соленой воды: Нет
1
98291.00р.
Насос AquaViva LX WLP500T (380В, 76м³/ч*12м, 3.75кВт, 5лс)
Заводской артикул: WLP500Т Погружной: Нет Рабочая температура воды, °С: 0 +75℃
4
80898.00р.
Насос AquaViva LX WLP750T (380В, 89м³/ч*12м, 5.5кВт, 7.5лс)
Заводской артикул: WLP750T Погружной: Нет Рабочая температура воды, °С: 0 +75℃
5
82439.00р.