 
																																				 
																									 
																									 
																																	 
																					 
																					 
																					 
																			Среда любого бассейна подвергается ускоренному загрязнению. В воде появляются бактерии, водоросли и прочие микроорганизмы. Купание в загрязненной воде приносит неудобства и может негативно сказаться на организме человека. Кроме того загрязнения портят облицовочные материалы и бассейн теряет свой первоначальный вид.
Преобразователь соли в хлор – одно из наиболее применяемых решений для поддержания чистоты домашних бассейнов. Использование хлоратора отличается экономией и простотой.
Хлоратор Aquaviva SSC15-E обеспечивает очистку бассейнов малых и средних габаритов. Оборудование рекомендовано для домашних бассейнов объемом 40-50 тыс.л. Используя принцип электролиза, устройство позволяет сохранить оптимальные качества воды, без присутствия специфического «бассейного» запаха, порчи оборудования и обесцвечивания материалов.
Блок контроля хлорирующей установки позволяет задать режим работы, мощность производства хлора и отображает текущие данные о работе системы. Устройство имеет стандарт защиты IPX4 и рассчитано на длительную работу. Корпус не боится УФ, влажности и коррозии.
Расход соли на литр
Максимальный объем бассейна
Производительность
Штыревые контакты из меди для быстрого соединения ячейки с контрольным блоком.
Большое блокировочное кольцо на резьбе обеспечивает облегченный доступ к электроду.
Прочный пластиковый корпус, защищенный от Уф-лучей. Выдерживает давление до 4 бар.
Титановые пластины имеют большую площадь, что позволяет работать при минимальном количестве соли в воде.
Гидравлическая форма корпуса обеспечивает оптимальный проток воды и ее качественную обработку.
Для легкого монтажа в контур бассейна 50-мм соединение с пластиковыми муфтами.
Применение хлоратора
Обработка воды осуществляется благодаря работе солевой ячейки с титановыми электродами разной полярности. Для проведения дезинфекции используется чистая поваренная соль. Она смешивается с водой, а проходя через электролитическую ячейку, превращается в газообразный хлор. Смешавшись с водой бассейна, газообразный хлор окисляет органику, не дает размножаться бактериям и стерилизует водоем. Процесс цикличен – после распада хлора остаются солевые соединения, и обработка воды повторяется снова. За час работы аппарат производит до 15 грамм чистого дезинфицирующего хлора.
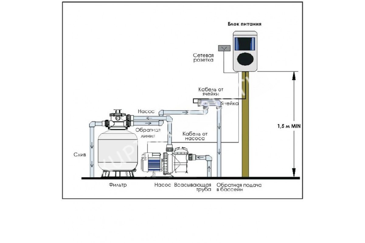
Установка хлоратора осуществляется согласно прилагаемой инструкции. Колба, где установлены электролизные ячейки, соединяется с трубой муфтами на 50 миллиметров. Монтаж ячейки выполняется после фильтрующего оборудования перед выводом воды обратно в чашу. Контрольный блок размещается вертикально через навесное крепление на стенку или столб на высоте не менее 1500 мм от пола. Для работы хлоратора требуется подключение в сеть 220В/50Гц.
Ячейка выполнена из прочного просматриваемого пластика, что позволяет контролировать состояние электродов из титана, которые нуждаются в систематическом осмотре и очистке. Минимальное количество соли для начала дезинфекции должно составлять 4000 РРМ (пример: 1 м³ воды х 3.9 кг соли).
Панель индикации
1
Состояние системы
2
Требуется проверка уровня показателей
3
Необходимость сервиса
4
Режим ожидания
5
Нет протока воды
6
Зимний/летний режимы
7
Полярность электродов
Панель управления
1
Вкл./Выкл. хлоратор
2
Индикатор работы
3
Вкл. зимний режим
4
Смена полярности ячеек
5
LED-индикация задач (статус)
6
Режим ожидания
7
Нет протока воды
8
Управление уровнем хлорирования
9
Электрический предохранитель
Подключение хлоргенератора
Характеристики
Нет отзывов об этом товаре.

 
						 
						 
						 
						