Хлоратор для бассейна Aquaviva SSC25-E представляет собой небольшую установку, которая обеззараживает воду при помощи электролиза – создания из обычной поваренной соли хлора и натрия. Такой метод безопасен и экологичен, что позволяет применять его даже в детских плавательных водоемах. Для работы устройства необходима лишь минимальная концентрация соли в воде (около 4000 PPM – это 3.99 гр/л).
Модель Aquaviva SSC25-E создана для обслуживания бетонных, лайнерных и стекловолоконных бассейнов объемом 40-75 тыс.л. За 60 минут, устройство генерирует до 25 грамм чистого хлора. Смешиваясь с водой, хлор оказывает нейтрализующее влияние на органику. Под воздействие попадают бактерии, вирусы, водоросли, плесень. После реакции окисления загрязнителей хлор распадается на соль и цикл повторяется.
В результате использования устройства вода проходит стерилизующую очистку хлором, одним из наиболее эффективных окислителей в природе. При этом, электролитическое преобразование позволяет избежать типичных проблем применения хлорки – химического запаха воды, раздражения глаз, сухости кожи. Наоборот, определенная концентрация соли в воде делает ее мягче.
Расход соли на литр
Максимальный объем бассейна
Производительность
Штыревые контакты из меди для быстрого соединения ячейки с контрольным блоком.
Большое блокировочное кольцо на резьбе обеспечивает облегченный доступ к электроду.
Прочный пластиковый корпус, защищенный от Уф-лучей. Выдерживает давление до 4 бар.
Титановые пластины имеют большую площадь, что позволяет работать при минимальном количестве соли в воде.
Гидравлическая форма корпуса обеспечивает оптимальный проток воды и ее качественную обработку.
Для легкого монтажа в контур бассейна 50-мм соединение с пластиковыми муфтами.
Принцип действия Aquaviva SSC25-E
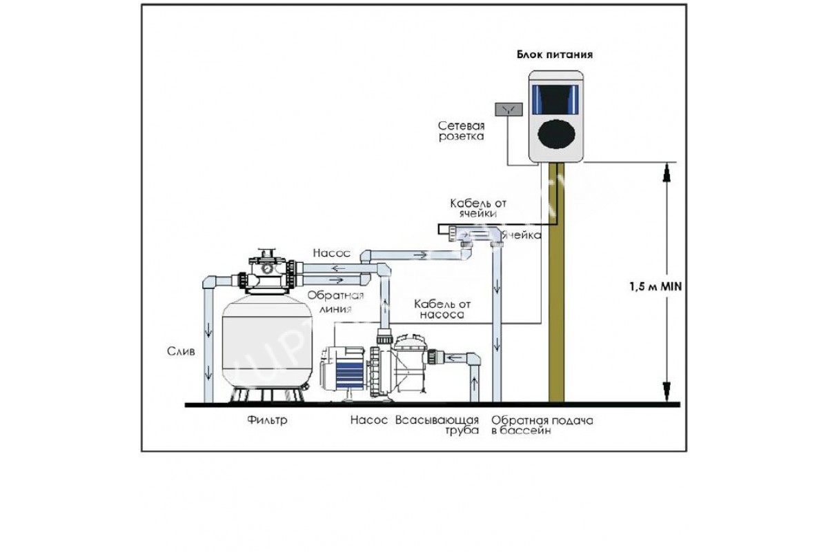
Оборудование состоит из контрольного пульта электронного управления и выносной электролитической ячейки. Пульт имеет класс защиты IPX4, оснащен ЖК-экраном, светодиодной подсветкой и кнопочной панелью.
Ячейка крепится в трубный контур бассейна. Она содержит электрод из титановых пластинок, на которые поступает электрический разряд. Сменная поляризация электродов используется для очистки пластин от отложений, которые образовываются во время реакции электролиза. Вода с солью проходит через электрод и в результате реакции генерируется газообразный хлор. Корпус ячейки сделан из УФ-стойкого полупрозрачного пластика, что позволит визуально проверять состояние электродных пластин.
Смешиваясь с протоком воды, растворенный хлор поступает в бассейн и воздействует на загрязняющие элементы. После реакции окисления хлор обратно распадается на соль.
Использование хлоратора SSC25-E позволит поддерживать стерильность бассейна без использования большого количества химических веществ. Очистка электролизом также делает воду более мягкой и полезной. Соль, используемая для хлоратора, выступает природным антисептиком и имеет положительное влияние на кожу и волосы человека.
Панель индикации
1
Состояние системы
2
Требуется проверка уровня показателей
3
Необходимость сервиса
4
Режим ожидания
5
Нет протока воды
6
Зимний/летний режимы
7
Полярность электродов
Панель управления
1
Вкл./Выкл. хлоратор
2
Индикатор работы
3
Вкл. зимний режим
4
Смена полярности ячеек
5
LED-индикация задач (статус)
6
Режим ожидания
7
Нет протока воды
8
Управление уровнем хлорирования
9
Электрический предохранитель
Подключение хлоргенератора
Характеристики
Нет отзывов об этом товаре.
