Современным и безопасным методом для стерилизации бассейна является использование солевого электролиза. Хлоратор Aquaviva SSC50-E вырабатывает хлорсодержащий газ из обычной поваренной соли, которую добавляют в воду бассейна. Газообразный хлор (sodium chloride) попав в воду, трансформируется в жидкий хлор (sodium hypochlorite). Выработанный хлор справляется с водорослями, бактериями и грибками. Он мгновенно вступает в реакцию с органикой, растворяясь при этом в воде. Впоследствии, соль возвращается в воду и процесс повторяется.
Хлоргенератор SSC50-E абсолютно безопасен для атмосферы и окружения. Он подойдет для плавательных и спортивных бассейнов крупных габаритов. Рекомендованный размер водоема составляет 110-120 тыс.л. Модель имеет производительность 45 грамм хлора в час и оптимально функционирует при уровне соли в воде 4000 PPM (3.9 гр/л).
Метод электролиза позволяет задействовать хлор без последующих раздражений кожи и слизистой у человека. Электролитическое преобразование позволяет избавиться от проблемы неприятного хлорного запаха бассейна.
Расход соли на литр
Максимальный объем бассейна
Производительность
Штыревые контакты из меди для быстрого соединения ячейки с контрольным блоком.
Большое блокировочное кольцо на резьбе обеспечивает облегченный доступ к электроду.
Прочный пластиковый корпус, защищенный от Уф-лучей. Выдерживает давление до 4 бар.
Титановые пластины имеют большую площадь, что позволяет работать при минимальном количестве соли в воде.
Гидравлическая форма корпуса обеспечивает оптимальный проток воды и ее качественную обработку.
Для легкого монтажа в контур бассейна 50-мм соединение с пластиковыми муфтами.
Титановая ячейка электролиза
Aquaviva SSC50-E состоит из блока электронного управления и выносной ячейки электролиза. Корпус системы водонепроницаем и устойчив к УФ, атмосферным осадкам, процессам коррозии. Конструктивные параметры соответствуют стандарту водозащиты IPX4. Солевая ячейка содержит титановые пластины противоположного заряда. Сменная поляризация способствует автоочистке от отложений. Конструкция рассчитана на рабочее давление до 2,5 Бар.
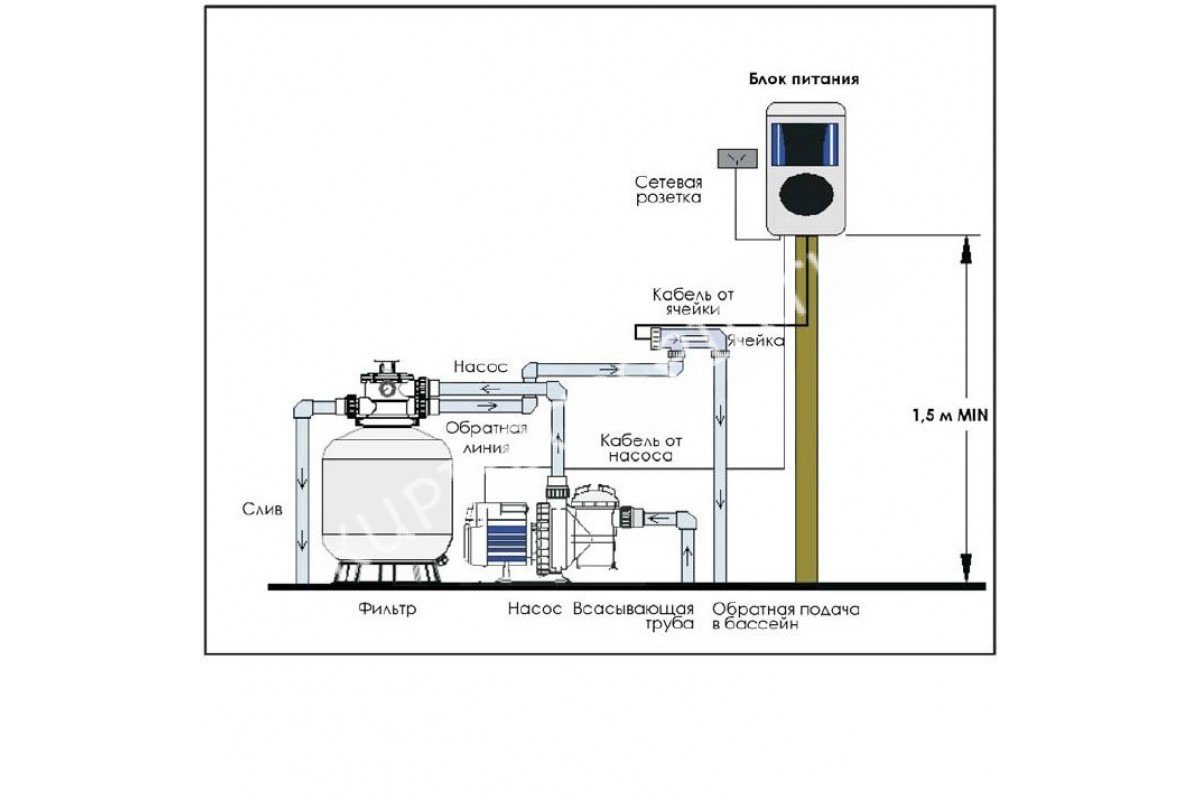
Для работы хлорогенератора его необходимо подключить к сети 240В/50-60Hz. Монтаж ячейки в трубный контур производится через стандартные муфты на 50 мм. Ячейка крепится непосредственно перед возвратом воды в чашу бассейна и после фильтрующей системы. Прозрачный корпус дает возможность следить за состоянием электродов.
На контрольной панели можно выбирать интенсивность производства хлора, режим работы и другие настройки. Система рассчитана на бытовое пользование и максимально простая в контроле. После установки хлоратора SSC50-E необходимо обеспечить уровень соли 0,4% (4000PPM) в водоеме. К примеру, на 1 000 л воды требуется 4 кг соли (0,4%).
Панель индикации
1
Состояние системы
2
Требуется проверка уровня показателей
3
Необходимость сервиса
4
Режим ожидания
5
Нет протока воды
6
Зимний/летний режимы
7
Полярность электродов
Панель управления
1
Вкл./Выкл. хлоратор
2
Индикатор работы
3
Вкл. зимний режим
4
Смена полярности ячеек
5
LED-индикация задач (статус)
6
Режим ожидания
7
Нет протока воды
8
Управление уровнем хлорирования
9
Электрический предохранитель
Подключение хлоргенератора
Характеристики
Нет отзывов об этом товаре.
