









- Мощность от 140 до 819 кВт
- Пластины из нержавеющей стали
- Идеальное решение для подогрева больших бассейнов и аквапарков
- Максимальное рабочее давление 10 бар
- Сделано в Италии
Пластинчатый теплообменник Techno System 316L
Пластинчатый теплообменник Techno System 316L - идеальное решение для эффективного обогрева коммерческих бассейнов, спорткомплексов и аквапарков.
Techno System 316L устойчив к высокому давлению до 10 бар и не подвержен коррозии. Пластины из стали марки AISI 316 обеспечивают большую площадь теплопередачи. Эффективность работы поддерживается на высоком уровне в температурном диапазоне от -10 до 100°C.
Стальной корпус с эпоксидным покрытием, стальные пластины и прокладки из атмосферостойкого каучука обеспечивают длительную бесперебойную работу оборудования.
Теплообменник Techno System 316L подходит для отопления и снабжения горячей водой жилых домов, гостиниц, больниц и промышленных предприятий, в том числе с использованием радиаторных панелей и солнечных батарей. Используется для пастеризации напитков. Применим для кондиционеров, систем с кухонными плитами и отопительными печами.
Технические характеристики
пластинчатых теплообменников Techno System 316L
Модель | Techno System 140 кВт 316L | Techno System 242 кВт 316L | Techno System 287 кВт 316L | Techno System 446 кВт 316L | Techno System 672 кВт 316L | Techno System 819 кВт 316L |
---|---|---|---|---|---|---|
Количество пластин, шт | 19 | 35 | 39 | 19 | 33 | 39 |
Мощность, кВт | 140 | 242 | 287 | 446 | 672 | 819 |
Площадь теплопередачи, м2 | 0,816 | 1,584 | 1,776 | 2,873 | 5,239 | 6,253 |
Толщина пластин, мм | 0,5 | 0,5 | 0,5 | 0,6 | 0,6 | 0,6 |
Вес пустого теплообменника, кг | 25,99 | 30,01 | 30,79 | 126,26 | 133,78 | 137 |
Вес полного теплообменника, кг | 27,82 | 33,47 | 34,66 | 133,91 | 147,38 | 153,15 |
Объем контура горячей/холодной стороны, л | 0,918 | 1,734 | 1,938 | 3,825 | 6,8 | 8,075 |
Рабочая температура,°C | от -10 до 100 | от -10 до 100 | от -10 до 100 | от -10 до 100 | от -10 до 100 | от -10 до 100 |
Рабочее давление, бар | 10 | 10 | 10 | 10 | 10 | 10 |
Тестовое давление, бар | 14,3 | 14,3 | 14,3 | 14,3 | 14,3 | 14,3 |
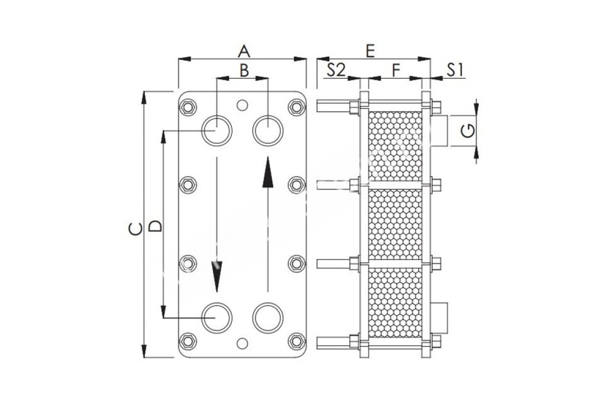
Габариты
пластинчатых теплообменников Techno System 316L
Techno System 140 кВт 316L
Techno System 242 кВт 316L
Techno System 287 кВт 316L
Techno System 446 кВт 316L
Techno System 672 кВт 316L
Techno System 819 кВт 316L
Модель | Techno System 140 кВт 316L | Techno System 242 кВт 316L | Techno System 287 кВт 316L | Techno System 446 кВт 316L | Techno System 672 кВт 316L | Techno System 819 кВт 316L |
---|---|---|---|---|---|---|
A, мм | 204 | 204 | 204 | 312 | 312 | 312 |
B, мм | 86 | 86 | 86 | 140 | 140 | 140 |
C, мм | 490 | 490 | 490 | 963 | 963 | 963 |
D, мм | 381 | 381 | 381 | 690 | 690 | 690 |
E, мм | 116 | 191 | 191 | 447 | 447 | 447 |
F, мм | 50,35 | 92,75 | 103,35 | 66,5 | 115,5 | 136,5 |
G, мм | 32 | 32 | 32 | 65 | 65 | 65 |
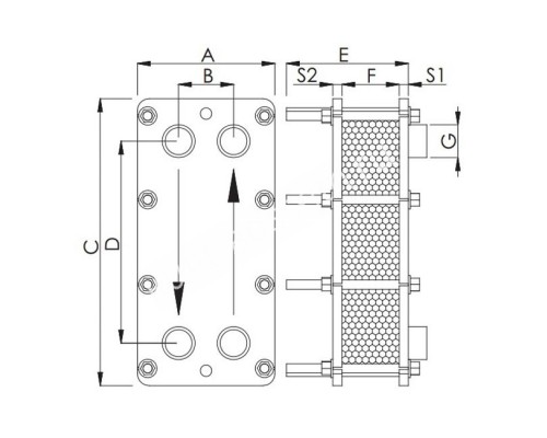
Варианты подключения
пластинчатых теплообменников Techno System 316L
Для теплообменника Techno System 316L предусмотрено 3 типа подключения.
Указывайте нужный тип крепления трубы к теплообменнику и ее диаметр при оформлении заказа.
стали (STD)
Techno System 140 кВт 316L
Techno System 242 кВт 316L
Techno System 287 кВт 316L
стали (STD)
Techno System 446 кВт 316L
Techno System 672 кВт 316L
Techno System 819 кВт 316L
Techno System 140 кВт 316L
Techno System 242 кВт 316L
Techno System 287 кВт 316L
Techno System 446 кВт 316L
Techno System 672 кВт 316L
Techno System 819 кВт 316L
Techno System 140 кВт 316L
Techno System 242 кВт 316L
Techno System 287 кВт 316L
Techno System 446 кВт 316L
Techno System 672 кВт 316L
Techno System 819 кВт 316L
Схема установки
пластинчатого теплообменника Techno System 316L
О компании
Techno System - итальянский производитель пластинчатых теплообменников для любых систем или технологических процессов, от небольших решений для дома до специализированных продуктов для огромных промышленных комплексов.
Продукция Techno System широко представлена на территории Италии и за ее пределами. Компания придерживается высоких стандартов качества:
Соответствие всем этим стандартам гарантирует максимальную производительность и энергосбережение.
Внимание компании Techno System к потребностям клиентов является гарантией высокого качества продукции и способствует решению даже самых сложных проблем и системных требований.
Характеристики
Нет отзывов об этом товаре.