





- Мощность от 140 до 819 кВт
- Титановые пластины,устойчивость к коррозии
- Подходит для соленой и морской воды
- Идеальное решение для подогрева больших бассейнов и аквапарков
- Максимальное рабочее давление 10 бар
- Сделано в Италии
Пластинчатый теплообменник Techno System Titan
Пластинчатый теплообменник Techno System Titan - идеальное решение для эффективного обогрева коммерческих бассейнов, спорткомплексов и аквапарков.
Techno System Titan устойчив к высокому давлению до 10 бар и не подвержен коррозии.Титановые пластины обеспечивают большую площадь теплопередачи. Эффективность работы поддерживается на высоком уровне в температурном диапазоне от -10 до 100°C.
Стальной корпус с эпоксидным покрытием, титановые пластины и прокладки из атмосферостойкого каучука обеспечивают длительную бесперебойную работу оборудования. А также делают возможной совместимость нагревателя практически со всеми типами жидкостей. Эффективен в соленой и хлорированной воде.
Теплообменник Techno System Titan подходит для отопления и снабжения горячей водой жилых домов, гостиниц, больниц и промышленных предприятий, в том числе с использованием радиаторных панелей и солнечных батарей. Используется для пастеризации напитков. Применим для кондиционеров, систем с кухонными плитами и отопительными печами.
Технические характеристики
пластинчатых теплообменников Techno System Titan
Модель | Techno System 140 кВт Titan | Techno System 242 кВт Titan | Techno System 287 кВт Titan | Techno System 446 кВт Titan | Techno System 672 кВт Titan | Techno System 819 кВт Titan |
---|---|---|---|---|---|---|
Количество пластин, шт | 19 | 35 | 39 | 19 | 33 | 39 |
Мощность, кВт | 140 | 242 | 287 | 446 | 672 | 819 |
Площадь теплопередачи, м2 | 0,816 | 1,584 | 1,776 | 2,873 | 5,239 | 6,253 |
Толщина пластин, мм | 0,5 | 0,5 | 0,5 | 0,6 | 0,6 | 0,6 |
Вес пустого теплообменника, кг | 25,99 | 30,01 | 30,79 | 126,26 | 133,78 | 137 |
Вес полного теплообменника, кг | 27,82 | 33,47 | 34,66 | 133,91 | 147,38 | 153,15 |
Объем контура горячей/холодной стороны, л | 0,918 | 1,734 | 1,938 | 3,825 | 6,8 | 8,075 |
Рабочая температура,°C | от -10 до 100 | от -10 до 100 | от -10 до 100 | от -10 до 100 | от -10 до 100 | от -10 до 100 |
Рабочее давление, бар | 10 | 10 | 10 | 10 | 10 | 10 |
Тестовое давление, бар | 14,3 | 14,3 | 14,3 | 14,3 | 14,3 | 14,3 |
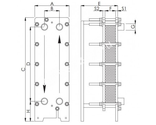
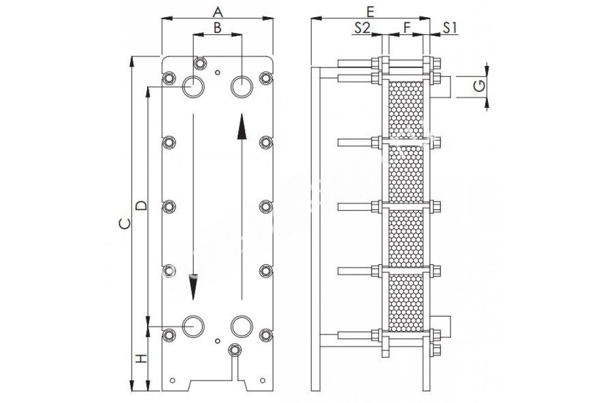
Габариты
пластинчатых теплообменников Techno System Titan
Techno System 140 кВт Titan
Techno System 242 кВт Titan
Techno System 287 кВт Titan
Techno System 446 кВт Titan
Techno System 672 кВт Titan
Techno System 819 кВт Titan
Модель | Techno System 140 кВт Titan | Techno System 242 кВт Titan | Techno System 287 кВт Titan | Techno System 446 кВт Titan | Techno System 672 кВт Titan | Techno System 819 кВт Titan |
---|---|---|---|---|---|---|
A, мм | 204 | 204 | 204 | 312 | 312 | 312 |
B, мм | 86 | 86 | 86 | 140 | 140 | 140 |
C, мм | 490 | 490 | 490 | 963 | 963 | 963 |
D, мм | 381 | 381 | 381 | 690 | 690 | 690 |
E, мм | 116 | 191 | 191 | 447 | 447 | 447 |
F, мм | 50,35 | 92,75 | 103,35 | 66,5 | 115,5 | 136,5 |
G, мм | 32 | 32 | 32 | 65 | 65 | 65 |
Варианты подключения
пластинчатых теплообменников Techno System Titan
Для теплообменника Techno System Titan предусмотрено 3 типа подключения.
Указывайте нужный тип крепления трубы к теплообменнику и ее диаметр при оформлении заказа.
стали (STD)
Techno System 140 кВт Titan
Techno System 242 кВт Titan
Techno System 287 кВт Titan
стали (STD)
Techno System 446 кВт Titan
Techno System 672 кВт Titan
Techno System 819 кВт Titan
Techno System 140 кВт Titan
Techno System 242 кВт Titan
Techno System 287 кВт Titan
Techno System 446 кВт Titan
Techno System 672 кВт Titan
Techno System 819 кВт Titan
Techno System 140 кВт Titan
Techno System 242 кВт Titan
Techno System 287 кВт Titan
Techno System 446 кВт Titan
Techno System 672 кВт Titan
Techno System 819 кВт Titan
Схема установки
пластинчатого теплообменника Techno System Titan
О компании
Techno System - итальянский производитель пластинчатых теплообменников для любых систем или технологических процессов, от небольших решений для дома до специализированных продуктов для огромных промышленных комплексов.
Продукция Techno System широко представлена на территории Италии и за ее пределами. Компания придерживается высоких стандартов качества:
Соответствие всем этим стандартам гарантирует максимальную производительность и энергосбережение.
Внимание компании Techno System к потребностям клиентов является гарантией высокого качества продукции и способствует решению даже самых сложных проблем и системных требований.
Характеристики
Нет отзывов об этом товаре.