



0
5654.00р.
При заказе через сайт скидка 7% по промокоду "2025"
Заводской артикул
3930000/3930020Материал
оловянно-никелевый сплав (NiSn)
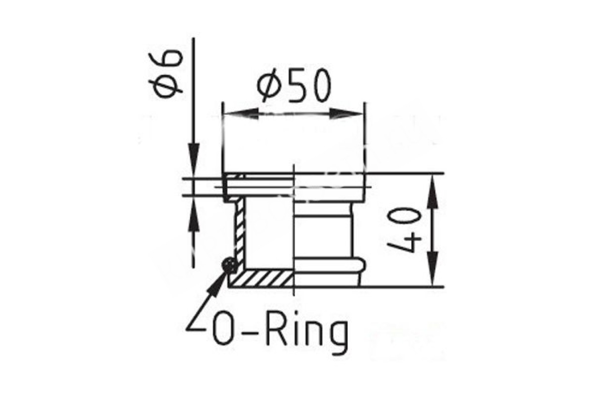
Заглушка адаптера FitStar 3930020, для пылесосной форсунки
Характеристики
Заводской артикул
3930000/3930020
Материал
оловянно-никелевый сплав (NiSn)
Подключение
50 мм
Условия доставки
Доставка осуществляется после 100% предоплаты
Дополнительно
Материал: оловянно-никелевый сплав (NiSn)Для вакуумных водяных пылесосовСоединение: 50ммРазмеры: 50х40мм
Размер
50х40мм
Производитель
Fitstar
Страна производства
Германия
Отзывов: 0
Нет отзывов об этом товаре.
Похожие товары