Генератор пара
2-го поколения COASTS KSA
Парогенератор Coasts серии KSA создан для бытовых и коммерческих целей. Он подойдет для установки в саунах и турецких хаммамах. Устройство имеет мощность 12 кВт и при компактных габаритах подойдет для кабинок размером до 14 м³. Устройство имеет системы автослива, самодиагностики, автоматической подачи воды, контроля избыточного давления. Дренажная система парогенератора MOTORTM обеспечивает внутреннюю промывку от накипи и окалины что позволяет значительно продлить срок службы металлических частей.
С точки зрения потребителя, данное устройство является практичным, продуктивным и функциональным решением. Парогенератор для хамама (турецкой бани) Coasts серии KSA позволяет обеспечить подачу пара в ежедневном режиме.
Для помещения
11-14м³
Мощность
12кВт
Максимальная t˚
55˚C
Технические
особенности
Для защиты от перегрева парогенератор имеет встроенное реле температуры. Если ее значение превышает 110 ̊С, то реле автоматически отключает питание. Также агрегат оснащен современной системой дренажа MOTORTM. Накипь является основной причиной поломки нагревательного и парогенерирующего оборудования. При высоких температурах и последующем остывании нефильтруемые частицы, содержащиеся в воде, оседают в виде жесткого минерального осадка. В результате нарушается термический цикл в системе и ускоряется износ оборудования.
Благодаря установке в системе парогенартора Coasts KSA дренажа MOTORTM с мощным насосом накипь выводится интенсивным потоком.
Генератор пара Coast
KSA - "бестселлер"
Модель охватывает большинство потребностей клиентов и заслужено считается "бестселлером" на рынке оборудования для саун и хаммамов.
Удаленное управление
парогенератором
1 -
Экран температуры
2 -
Экран времени
3 -
Понижение значения
4 -
Настройка времени, температуры
5 -
Включить/выключить
Настройка и управление парогенератором обеспечивается через цифровую панель KS-150 (в моделях до 2016 система комплектовалась пультом KS200A). Панель KS-150 позволит пользователю задавать температурный режим, цикл, время, а также управлять освещением в парной. На экране выводится отчет об ошибках и статусе работы системы. Главным отличием нового пульта является сенсорная панель и защитное покрытие, которое позволяет устанавливать его непосредственно в кабинке. На ЖК-экране также отображаются сообщения о работе системы (см. подробную ИНСТРУКЦИЮ).
6 -
Индикатор температуры
7 -
Повышение значения
8 -
Включить подсветку парной
Обозначения:
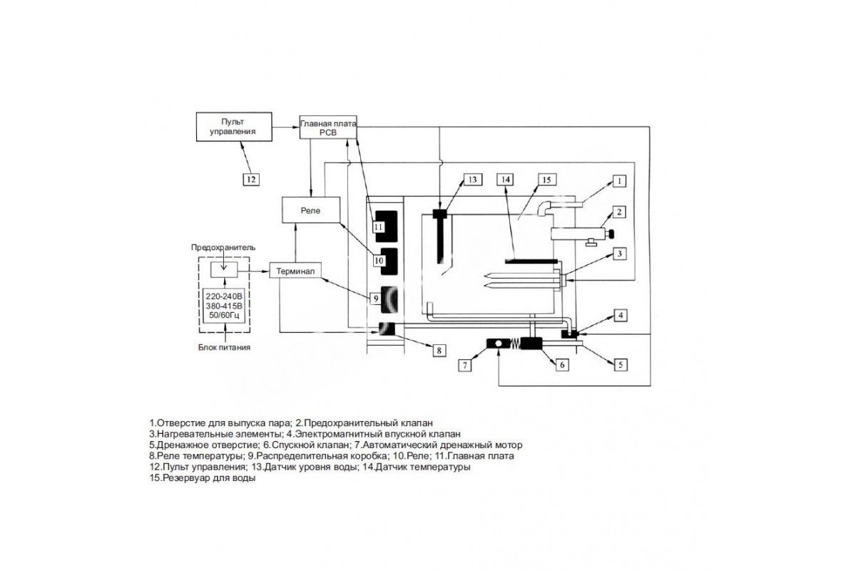
1. - Подключение пульта управления;
2. - Подключение датчика температуры;
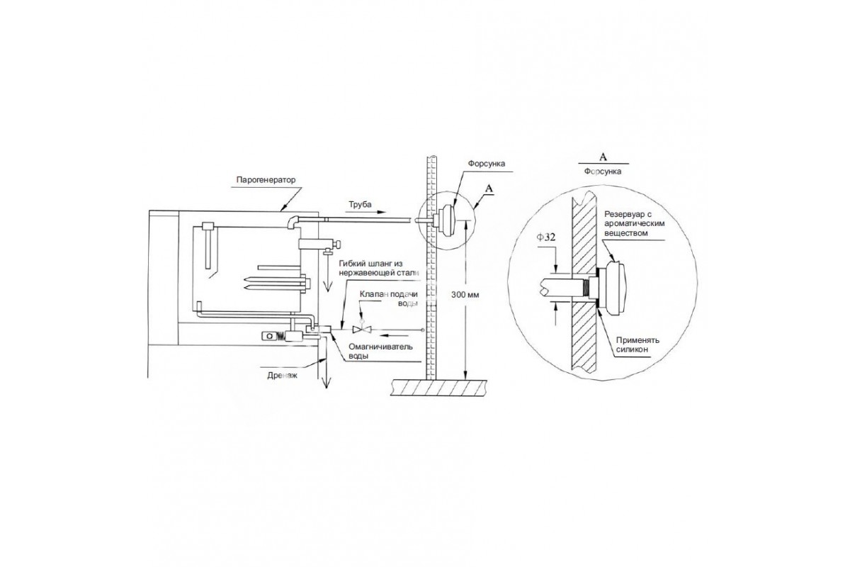
3. - Вывод пара в кабину через форсунку.
Установка
парогенератора
- Установка и эксплуатация парогенератора должна осуществляться по прилагаемой
инструкции
. - Не рекомендовано устанавливать агрегат на улице, в промерзающих, сырых, химически загрязненных помещениях.
- Запрещается устанавливать оборудование рядом с легко воспламеняющимися материалами. Установку следует проводить в сухом, хорошо вентилируемом месте на поверхности с устойчивым горизонтальным основанием.
- При установке парогенератора вокруг него обеспечивается свободная зона на 25-30 см в стороны.
- Датчик температуры выносится в кабинку. Незащищенные от влаги и пара пульты должны ставится вне парной кабинки.
- Для вывода пара к форсунке рекомендовано применять медные трубы. Дренажная труба устанавливается под углом.
Польза
парной кабинки
Баня на пару оказывает значительно более мягкий и увлажняющий эффект, в отличии от классической сухой сауны. Температура воздуха в паровой сауне достигает 35-55 °C (95-130 °F), при этом влажность поддерживается 100%. Паровые эффекты издавна славятся своим положительным воздействием и используются людьми всех возрастов. Паровое облако позволяет добиться полноценной релаксации тела и оказывает очищают эффект. Поры кожи очищаются от токсинов и загрязнений благодаря широкому расширению и интенсивному потоотделению.
Посещение такого рода саун позволит уменьшить мышечную, суставную и головную боль, улучшит кровообращение и освежит кожу. Процедура также способствует релаксации клеток и сжиганию жира.
О компании
Keya Sauna Swimming Pool Equipment Co., Ltd. является специализированным предприятием по разработке и производству саун, а также сопутствующего оборудования. Основными видами продукции являются: парогенераторы, паровые бани, сауны, ИК кабины, водяные насосы, нагреватели, теплообменники.
С 1997 года компания внедрила ряд высококачественных технологий и инноваций. Продукция, выпускаемая Keya Sauna, завоевала большую часть мирового рынка и включает бренды "COASTS, STEAMIST, AMAZON, HEIRVA, SMILIST". Вся продукция прошла сертификацию по ISO 9001-2008, CIEQB, EU CE, KETI, CTI. Товары компании представлены более чем в 50 странах на 5 континентах.
Характеристики
Нет отзывов об этом товаре.
