Генератор пара
2-го поколения COASTS KSA
Парогенераторы Coasts KSA считаются бестселлером в среде оборудования для саун и хаммамов. Они подходят для бытового и коммерческого (начальный уровень) применения. Благодаря использованию парогенератора KSA достигается оптимальная термическая среда для максимально комфортного отдыха. Устройство имеет системы автослива, самодиагностики, автоматической подачи воды, контроля давления. Также парогенератор оснащен защитой от перегревов и перегрузки.
Устройство имеет мощность 6 кВт и при компактных габаритах подойдет для саун и хаммамов с объемом комнаты до 7 м³. Для уменьшения образования окалины на металлических частях внутри конструкции в парогенераторе используется дренажная система MOTORTM, обеспечивающая эффективную промывку.
Для помещения
5-7м³
Мощность
6кВт
Максимальная t˚
55˚C
Дренаж MOTORTM
Парогенератор имеет защитное реле температуры. Если температура превышает 110˚C реле отключает питание от главной платы. При высоких температурах и последующем остывании нефильтруемые частицы воды образуют минеральный осадок. Накипь является основной причиной поломки нагревательного и парогенерирующего оборудования. Она нарастает на внутренних комплектующих и в последствии забивает проходы.
Дренажная система парогенераторов Coasts KSA MOTORTM обеспечивает полную внутреннюю промывку в системе. Мощный насос выводит минеральные осадки и отложения стремительным потоком.
Генератор пара Coast
KSA - "бестселлер"
Парогенератор Coasts KSA-60 охватывает большинство потребностей клиентов и заслужено считается "бестселлером" на рынке оборудования для саун и хаммамов.
Удаленное управление
парогенератором
1 -
Экран температуры
2 -
Экран времени
3 -
Понижение значения
4 -
Настройка времени, температуры
5 -
Включить/выключить
Настройка и управление парогенератором обеспечивается через цифровую панель KS-150 (в моделях до 2016 система комплектовалась пультом KS200A). Панель KS-150 позволит пользователю задавать температурный режим, цикл, время, а также управлять освещением в парной. На экране выводится отчет об ошибках и статусе работы системы. Главным отличием нового пульта является сенсорная панель и защитное покрытие, которое позволяет устанавливать его непосредственно в кабинке. На ЖК-экране также отображаются сообщения о работе системы (см. подробную ИНСТРУКЦИЮ).
6 -
Индикатор температуры
7 -
Повышение значения
8 -
Включить подсветку парной
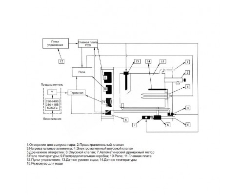
Обозначения:
1. - Подключение пульта управления;
2. - Подключение датчика температуры;
3. - Вывод пара в кабину через форсунку.
Установка
парогенератора
- Установка парогенератора должна производиться по прилагаемой
инструкции
. - Не рекомендовано устанавливать парогенератор на улице, в промерзающих, сырых, химически загрязненных помещениях.
- Запрещается устанавливать оборудование рядом с источниками огня и горючими материалами. Установку следует проводить в сухом, хорошо вентилируемом месте на устойчивом основании.
- При установке парогенератора вокруг него необходимо обеспечить свободные зоны в каждую сторону на 25-30 см.
- Незащищенные от влаги и пара пульты ставятся вне кабинки. Датчик температуры парогенератора обязательно выводится в кабинку.
- Для подачи пара в кабинку через форсунку применяют медную трубу. Дренажная труба от парогенератора ставится под наклоном вниз.
Польза
пара
Паровые эффекты издавна славятся своим положительным воздействием на человека. Процедура доступна для людей любого возраста. В сравнении с классической сухой сауной, паровая баня оказывает гораздо более мягкое увлажняющие кожу воздействие. В такой сауне температура воздуха достигает 35-55 °C, и поскольку пар заполняет все пространство в кабинке, влажность держится на уровне 100%. Паровое облако позволяет добиться полноценной релаксации тела и оказывает очищают эффект. Поры кожи высвобождаются от токсинов и загрязнений благодаря широкому расширению, и интенсивному потоотделению.
Посещение такого рода саун позволит уменьшить мышечную, суставную и головную боль и освежит кожный покров. Также эффект способствует улучшению кровообращения и обмена веществ. Процедура также позволит сжечь жировые клетки и поспособствует общей релаксации организма.
О компании
Keya Sauna Swimming Pool Equipment Co., Ltd. является специализированным предприятием по разработке и производству саун, а также сопутствующего оборудования. Основными видами продукции являются: парогенераторы, паровые бани, сауны, ИК кабины, водяные насосы, нагреватели, теплообменники.
С 1997 года компания внедрила ряд высококачественных технологий и инноваций. Продукция, выпускаемая Keya Sauna, завоевала большую часть мирового рынка и включает бренды "COASTS, STEAMIST, AMAZON, HEIRVA, SMILIST". Вся продукция прошла сертификацию по ISO 9001-2008, CIEQB, EU CE, KETI, CTI. Товары компании представлены более чем в 50 странах на 5 континентах.
Характеристики
Нет отзывов об этом товаре.
