Генератор пара
2-го поколения COASTS KSA
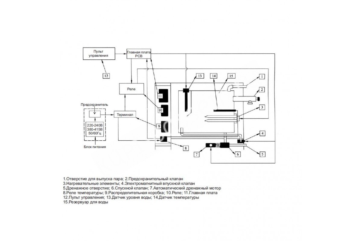
Парогенераторы Coasts для хамама серии KSA предназначены для применения в бытовой и коммерческой среде. Они подходят для саун и турецких хаммамов. Благодаря использованию парогенератора KSA достигается оптимальная термическая среда для максимально комфортного отдыха пользователя. Устройство имеет системы автослива, самодиагностики, автоматической подачи воды и контроля давления. Парогенератор также оснащен встроенной защитой от перегрева и перегрузок. Дренажная система парогенератора MOTORTM обеспечивает скорую внутреннюю промывку, что снижает до минимума процессы образование окалины.
Высокая продуктивность и функционал делают представленную модель парогенератора очень практичной с точки зрения эксплуатации потребителем. Модель серии KSA заслуженно считаются бестселлером рынка оборудования для саун и хаммамов. Агрегат имеет мощность в 9 кВт и рекомендован для обслуживания кабинок до 11 м³. В комплекте идет выносной пульт управления КСА-200А.
Для помещения
8-11м³
Мощность
9кВт
Максимальная t˚
55˚C
Технические
особенности
Парогенератор оснащен защитным реле, обеспечивающим автоматическое отключение питания от главной платы в случае перегревов и перегрузок. Другой проблемой, и в последствии, основной причиной поломки парогенерирующего оборудования является накипь. При высоких температурах и последующем остывании нефильтруемые частицы, которые содержатся в воде, образуют минеральный осадок. Он скапливается на внутренних частях, забивает проходы и сокращает срок эксплуатации тэнов. В последствии нарушается термический цикл и ускоряется общий износ элементов.
MOTORTM - дренажная система парогенератора Coasts KSA, которая гарантирует внутреннюю глубокую промывку системы. Благодаря интенсивному потоку, который создает мощный насос, минеральные осадки и отложения полностью устраняются.
Генератор пара Coast
KSA - "бестселлер"
Модель охватывает большинство потребностей клиентов и заслужено считается "бестселлером" на рынке оборудования для саун и хаммамов.
Удаленное управление
парогенератором
1 -
Дисплей температуры
2 -
Индикатор настройки температуры
3 -
Индикатор нагрева
4 -
Запустить/остановить работу
5 -
Настройка температуры/времени
6 -
Кнопка паузы
7 -
Индикатор настройки времени
Настройка и управление парогенератором обеспечивается через цифровую панель KS-150 (в моделях до 2016 система комплектовалась пультом KS200A). Панель KS-150 позволит пользователю задавать температурный режим, цикл, время, а также управлять освещением в парной. На экране выводится отчет об ошибках и статусе работы системы. Главным отличием нового пульта является сенсорная панель и защитное покрытие, которое позволяет устанавливать его непосредственно в кабинке. На ЖК-экране также отображаются сообщения о работе системы (см. подробную ИНСТРУКЦИЮ).
6 -
Индикатор температуры
7 -
Повышение значения
8 -
Включить подсветку парной
Обозначения:
1. - Подключение пульта управления;
2. - Подключение датчика температуры;
3. - Вывод пара в кабину через форсунку.
Установка
парогенератора
- Производить установку парогенератора следует по прилагаемой с оборудованием инструкции
. - Не рекомендовано устанавливать парогенератор на открытом воздухе, в промерзающих или сырых помещениях, а также в комнатах с химически активной атмосферой.
- Запрещается устанавливать оборудование рядом с горючими материалами. Установка должна проводиться в сухом, хорошо вентилируемом месте. Для размещения обязательно выбрать поверхность с устойчивым основанием.
- При установке парогенератора обеспечивается свободное пространство на 25-30 см с каждой стороны.
- Датчик температуры выносится в кабинку. Незащищенные от влаги и пара пульты должны ставиться вне кабинки.
- Для подачи пара в кабинку рекомендовано применять медную трубу (акриловые, ПВХ, гибкие не выдерживают высокую температуру пара на входе). Дренажная труба устанавливается под углом.
Польза
парной кабинки
В сравнении с классической сухой сауной, паровая баня оказывает гораздо более мягкий и увлажняющий эффект. Процедура доступна для людей любого возраста и уровня физической подготовки. Температура внутри поддерживается 35-55 по Цельсию (95-130 по Фаренгейту), при этом влажность в кабинке сохраняется на 100% уровне, благодаря полному заполнению паром. Паровое облако позволяет добиться полноценной релаксации тела и оказывает очищают эффект. Поры кожи очищаются от токсинов и загрязнений благодаря расширению и интенсивному потоотделению.
Посещение такого рода саун позволит уменьшить мышечную, суставную и головную боль, улучшит кровообращение и освежит кожу. Процедура также позволит сжечь жировые клетки и поспособствует общей релаксации организма. Также наблюдается улучшение кровообращения и обмена веществ.
О компании
Keya Sauna Swimming Pool Equipment Co., Ltd. является специализированным предприятием по разработке и производству саун, а также сопутствующего оборудования. Основными видами продукции являются: парогенераторы, паровые бани, сауны, ИК кабины, водяные насосы, нагреватели, теплообменники.
С 1997 года компания внедрила ряд высококачественных технологий и инноваций. Продукция, выпускаемая Keya Sauna, завоевала большую часть мирового рынка и включает бренды "COASTS, STEAMIST, AMAZON, HEIRVA, SMILIST". Вся продукция прошла сертификацию по ISO 9001-2008, CIEQB, EU CE, KETI, CTI. Товары компании представлены более чем в 50 странах на 5 континентах.
Характеристики
Нет отзывов об этом товаре.
