Генератор пара 3-го поколения
COASTS KSB
COASTS KSB - парогенератор 3-го поколения производителя Keya, который открывает линейку Premier. Устройство обладает улучшенными характеристиками по сравнению с парогенераторами KSA серии. Генераторы пара Coasts KSB предназначены для коммерческого и бытового использования. Оборудование позволит создать оптимальные температурные условия в саунах и хаммамах различного типа для максимально комфортного отдыха пользователей. В генераторе пара предусмотрены системы автоматического контроля давления, слива и подачи воды. Оборудование оснащено встроенной защитой от перегрузки и перегрева. Главным отличием KSB моделей является опция ''Instant Steam'' (Моментальный пар), которая позволяет сократить время подготовки и подачи пара с 8 до 1 минуты.
Также парогенератор для хамама KSB-150 комплектуется самым современным в серии пультом KS-300, при помощи которого можно удаленно управлять нагревом, освещением, аромотерапией, вытяжкой и другими опциями. Модель рекомендована для помещений 13-18 м³.
Для помещений
Мощность
Максимальная t˚
Технические
особенности
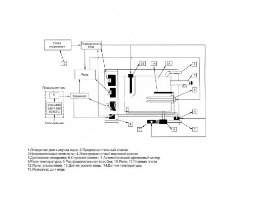
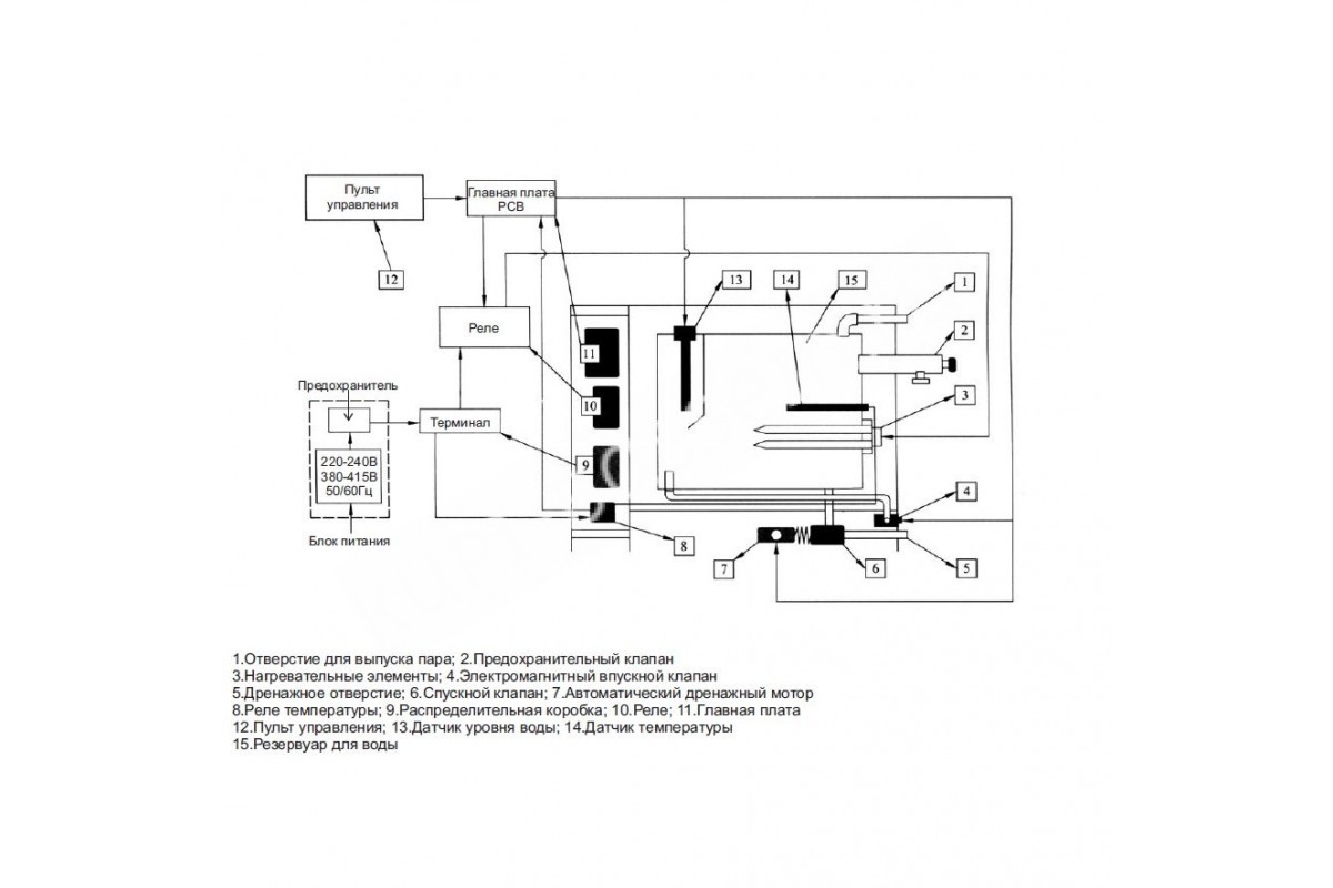
Парогенератор третьего поколения серии Premier располагает всеми функциями своих предшественников. Модель оснащена опцией "Автозаполнение" - после запуска системы впускной клапан автоматически открывается и парогенератор заполняется водой. При сравнении температуры воздуха в помещении и установленных параметров устройство запускает "Автонагрев". Также парогенератор имеет функции "Автоматическая подача" (активируется, если уровень воды опускается ниже установленного пользователем значения) и "Автослив" (после нажатия кнопки “ON/OFF” или по истечении установленного времени, система автоматически сливает воду). Встроенная защита отключает питание на плату в случае возникновения перегрузки или перегрева.
Серия Premier оснащена уникальной функцией "Instant Steam", что позволит значительно сократить время наполнения кабинки паром. Время подачи пара сокращается с 6~8 минут до 1. Это позволит удовлетворить потребности многих пользователей.
Современная технология -
Instant Steam
Модель оснащена технологией быстрого пара позволяющей наполнить паром кабинку за короткое время.
Управление
через пульт
1 - Дисплей температуры
2 - Индикатор нагрева
3 - Дисплей времени
4 - Индикатор освещения
5 - Вкл/выкл освещение
6 - Вкл/выкл вентиляцию
7 - Пауза/пуск
8 - Индикатор нагрева
Современная, удобная, выносная панель управления поспособствует комфортному посещению сауны. Данная модель контроллера может быть установлена непосредственно в кабине, однако для максимальной сохранности изделия ее рекомендуется размещать с внешней стороны стенки кабинки. Через пульт можно контролировать температуру и время нагрева, запускать работу ароматического насоса, вентиляцию, освещение.
9 - Индикатор вентиляции
10 - Настройка температуры
11 - Переключение «Вверх» и «Вниз»
12 - Настройка времени
13 - Вкл/выкл ароматизацию
1. - Подключение пульта управления; 2. - Подключение датчика температуры; 3. - Вывод пара в кабину на форсунку; 4. - Подключение ароманасоса; 5. - Подключение через инжектор впрыска масла.
Установка
парогенератора
- Установка и эксплуатация парогенератора осуществляется по инструкции, которая поставляется вместе с оборудованием.
- Не рекомендовано устанавливать парогенератор на открытом участке вне помещений или в промерзающих, сырых помещениях, а также в местах с сильной химически активной средой.
- Не разрешается установка рядом с легко воспламеняющимися, пожароопасными материалами. Размещение должно проводится в сухом, вентилируемом месте на устойчивой поверхности.
- При установке вокруг парогенератора обеспечивают свободную зону на 30 см в каждую сторону.
- Датчик температуры выносится в кабинку. Незащищенные от влаги и пара пульты должны размещаться вне кабинки. Пульты серии KS-150 могут размещаться непосредственно в парной.
- При подключении ароматического насоса для его управления используют пневмокнопку (идет в комплекте с насосом) или же пульт управления KS-300.
- Для подачи пара рекомендовано ставить только медную трубу. ПВХ, акриловые и другие мягкие трубы не разрешены.
Польза
парной кабинки
В течении столетий паровые процедуры используются как средство оздоровления людей всех возрастов. По сравнению с классическими сухими саунами, паровая баня оказывает более мягкий и увлажняющий эффект. Отдых в парной позволяет достичь высокого уровня релаксации и очищения за счет глубокого проникновения вглубь тканей. Обильное потоотделение и расширение кожных пор позволяет вывести токсины, а также другие загрязнения. Температура воздуха в парной достигает 35-55°C (95-130°F). Влажность при этом держится на максимальном уровне (90-100%). Влажный пар заполняет все помещение, создавая особый эффект для посетителей кабинки.
Посещение парной кабины уменьшает мышечную и суставную боль. У человека улучшается кровообращение и давление. Особый термический эффект способствует сжиганию жиров и тонизирует клетки организма.
О компании
Keya Sauna Swimming Pool Equipment Co., Ltd. является специализированным предприятием по разработке и производству саун, а также сопутствующего оборудования. Основными видами продукции являются: парогенераторы, паровые бани, сауны, ИК кабины, водяные насосы, нагреватели, теплообменники.
С 1997 года компания внедрила ряд высококачественных технологий и инноваций. Продукция, выпускаемая Keya Sauna, завоевала большую часть мирового рынка и включает бренды "COASTS, STEAMIST, AMAZON, HEIRVA, SMILIST". Вся продукция прошла сертификацию по ISO 9001-2008, CIEQB, EU CE, KETI, CTI. Товары компании представлены более чем в 50 странах на 5 континентах.
Характеристики
Нет отзывов об этом товаре.
