Генератор пара 3-го поколения
COASTS KSB
Парогенераторы третьего поколения COASTS KSB открывают линейку Premier. Данная серия обладает улучшенными характеристиками по сравнению с KSA моделями. Оборудование рассчитано на бытовое и коммерческое использование. Парогенератор KSB позволяет создавать необходимые температурные условия в хаммамах и саунах различного типа. В устройстве предусмотрены системы автоматического контроля давления, слива и подачи воды. Оборудование также оснащено встроенной защитой от перегрузки и перегрева. Главным отличием KSB моделей является опция "Instant Steam" (Моментальный пар), которая позволяет сократить время подготовки пара с 8 до 1 минуты.
Модель парогенератора для хамама KSB-90 комплектуется современным защищенным пультом KS-300A, при помощи которого можно удаленно управлять нагревом и освещением в кабинке. Парогенератор рекомендован для обслуживания помещений 8-11 м³.
Для помещений
Мощность
Максимальная t˚
Технические
особенности
В парогенераторе третьего поколения серии Premier можно встретить все функции его предшественников. Модель оснащена функцией "Автозаполнение" - парогенератор автоматически заполняется водой через клапан после запуска системы. На основе температуры воздуха в помещении и заданных параметров запускается функция "Автонагрев". Парогенератор также обладает функцией "Автоматическая подача" - она активируется, если уровень воды опускается ниже установленного пользователем значения. "Автослив" - после нажатия кнопки “ON/OFF” или по истечении установленного времени, система автоматически сливает воду. Встроенная защита отключает питание на плату в случае возникновения перегрузки или перегрева.
Парогенератор KSB-90 имеет уникальную систему "Instant Steam", которая позволяет значительно сократить время подготовки устройства к работе. Время подготовки пара снижается с 6~8 до 1 минуты, что позволит удовлетворить потребности многих пользователей.
Современная технология -
Instant Steam
Модель оснащена технологией быстрого пара позволяющей наполнить паром кабинку за короткое время.
Управление
через пульт
1 - Дисплей температуры
2 - Индикатор нагрева
3 - Дисплей времени
4 - Индикатор освещения
5 - Вкл/выкл освещение
6 - Вкл/выкл вентиляцию
7 - Пауза/пуск
8 - Индикатор нагрева
Современная, удобная, выносная панель управления поспособствует комфортному посещению сауны. Данную модель контроллера рекомендуется устанавливать с внешней стороны кабинки. Через пульт можно контролировать температуру и время нагрева, запускать работу ароматического насоса, вентиляцию, освещение (доп. подключаемое оборудование).
9 - Индикатор вентиляции
10 - Настройка температуры
11 - Переключение «Вверх» и «Вниз»
12 - Настройка времени
13 - Вкл/выкл ароматизацию
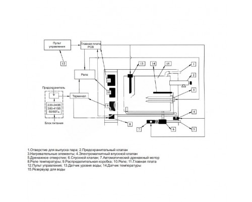
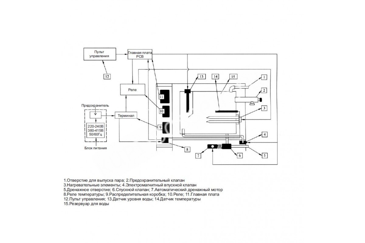
1. - Подключение пульта управления; 2. - Подключение датчика температуры; 3. - Вывод пара в кабину на форсунку; 4. - Подключение ароманасоса; 5. - Подключение через инжектор впрыска масла.
Установка
парогенератора
- Установка и эксплуатация парогенератора должна осуществляться по инструкции, которая поставляется вместе с оборудованием.
- Не рекомендовано устанавливать парогенератор на открытом воздухе вне здания или в промерзающих, сырых помещениях.
- Не разрешается установка рядом с легко воспламеняющимися или химически активными материалами.
- Установка проводится в сухом, вентилируемом месте на устойчивой горизонтальной поверхности. При установке парогенератора обеспечивают свободную зону вокруг корпуса минимум на 30 см .
- Датчик температуры выносится в кабинку. Незащищенные от влаги и пара пульты должны размещаться вне кабинки. Пульты серии KS-150, KS-320А могут ставиться в парной.
- При подключении ароматического насоса для его управления используют пневмокнопку (идет в комплекте с насосом) или же пульт управления KS-300.
- Для подачи пара рекомендовано ставить только медную трубу. ПВХ, акриловые и мягкие трубы не разрешены из за высокой температуры пара.
Польза
пара
Парные процедуры используются как средство оздоровления людей всех возрастов на протяжении многих столетий. В сравнении с сухой, классической сауной, паровая сауна оказывает куда более мягкий и увлажняющий эффект. Посещение парной бани позволяет достичь высокого уровня релаксации и очищения за счет глубокого проникновения вглубь тканей. Расширение пор и обильное потоотделение позволяет вывести токсины, а также загрязнения, которые копятся в коже. Температура воздуха в парной достигает 35-55°C (95-130°F). Влажность при этом держится на необходимом уровне (90-100%). Влажный пар заполняет все помещение, создавая особый эффект для посетителей.
Посещение паровой сауны уменьшает суставную, головную и мышечную боль. Улучшается кровообращение. Особый термический эффект способствует сжиганию жиров и тонизирует клетки организма.
О компании
Keya Sauna Swimming Pool Equipment Co., Ltd. является специализированным предприятием по разработке и производству саун, а также сопутствующего оборудования. Основными видами продукции являются: парогенераторы, паровые бани, сауны, ИК кабины, водяные насосы, нагреватели, теплообменники.
С 1997 года компания внедрила ряд высококачественных технологий и инноваций. Продукция, выпускаемая Keya Sauna, завоевала большую часть мирового рынка и включает бренды "COASTS, STEAMIST, AMAZON, HEIRVA, SMILIST". Вся продукция прошла сертификацию по ISO 9001-2008, CIEQB, EU CE, KETI, CTI. Товары компании представлены более чем в 50 странах на 5 континентах.
Характеристики
Нет отзывов об этом товаре.
