- Устойчивость к давлению до 16 бар
- Европейский стандарт качества
- Долговечность
(не менее 50 лет) - Подходит для питьевой воды
- Возможность монтажа внутри помещений и на улице
- Клеевое соединение
с трубами ПВХ - Устойчивость к коррозии и воздействию агрессивных химических веществ
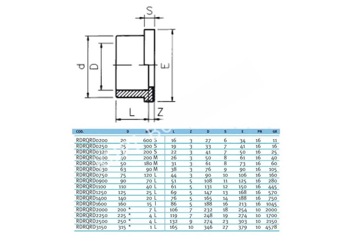
Бурт ПВХ Effast под фланец
с зубчатой поверхностью
Бурт из непластифицированного ПВХ с зубчатой поверхностью используется с фланцевой прокладкой и самим фланцем. Служит для сведения концевых отверстий трубопровода в местах соединения с запорной или регулирующей арматурой. Предполагает клеевое соединение.
Изделия из PVC-U оптимальны для систем водоснабжения, водоотведения и других гидротехнических конструкций.
Доступны для заказа из ПВХ диаметром от 20 до 400 мм, что позволяет реализовать любые задачи в рамках создания водопровода.
Общее описание PVC-U
Непластифицированный поливинилхлорид (PVC-U) – представляет собой соединение высокого качества с MRS (минимальная требуемая прочность) не менее 25 Н/кв. мм. Изделия из ПВХ подходят для транспортировки жидкостей с максимальной температурой до 60 °C. При увеличении температуры рабочей жидкости предельное давление снижается. Фитинги ПВХ могут использоваться для объектов водоснабжения, водоподготовки, канализации. При этом не рекомендуется их применение для систем сжатого воздуха, подачи газов, а также транспортировки любых составов температурой более 65 ˚С.
Габариты и давление
| КОД | D, мм | L, мм | Z, мм | D1, мм | S, мм | E, мм | Давление max. бар |
|---|---|---|---|---|---|---|---|
| RDRQRD0200 | 20 | 16 | 3 | 27 | 3 | 34 | 16 |
| RDRQRD0250 | 25 | 19 | 4 | 33 | 3 | 41 | 16 |
| RDRQRD0320 | 32 | 22 | 4 | 41 | 7 | 50 | 16 |
| RDRQRD0400 | 40 | 26 | 3 | 50 | 8 | 61 | 16 |
| RDRQRD0500 | 50 | 32 | 4 | 61 | 9 | 73 | 16 |
| RDRQRD0630 | 63 | 38 | 4 | 76 | 10 | 90 | 16 |
| RDRQRD0750 | 75 | 44 | 5 | 90 | 10 | 106 | 16 |
| RDRQRD0900 | 90 | 52 | 4 | 108 | 11 | 125 | 16 |
| RDRQRD1100 | 110 | 62 | 5 | 131 | 12 | 149 | 16 |
| RDRQRD1250 | 125 | 70 | 6 | 148 | 12 | 169 | 16 |
| RDRQRD1400 | 140 | 77 | 8 | 165 | 13 | 189 | 16 |
| RDRQRD1600 | 160 | 87 | 7 | 199 | 13 | 214 | 16 |
| RDRQRD2000 | 200 | 106 | 7 | 231 | 19 | 254 | 10 |
| RDRQRD2250 | 225 | 119 | 9 | 248 | 20 | 273 | 10 |
| RDRQRD2500 | 250 | 131 | 10 | 271 | 20 | 306 | 16 |
| RDRQRD2800 | 280 | 147 | 14,5 | 307 | 32 | 327 | 10 |
| RDRQRD3150 | 315 | 165 | 16 | 346 | 32 | 377 | 10 |
| RDRQRD3550 | 355 | 184 | 8 | 386 | 30 | 431 | 5 |
| RDRQRD4000 | 400 | 206 | 12 | 483 | 30 | 434 | 5 |
Технические характеристики
| Показатель | Значение |
|---|---|
| Удельная масса, г/м³ | 1.41 |
| Предел прочности, МН/м² | 53 |
| Относительное удлинение при разрыве, % | > 30 |
| Ударная вязкость при 23˚C с надрезом, кДж/м² | 0.08 |
| Модуль упругости (Юнга), МПа | 3060 |
| Коэффициент линейного расширения, мм/м˚C | 0.08 |
| Максимальная рабочая температура, ˚С | 60 |
| Минимальная рабочая температура, ˚С | 0 |
| Температура размягчения по Вика, ˚C (VST/B 50) | 77 |
| Впитывание воды, мг/см³ | < 4 |
| Поверхностное сопротивление прибл., Ω | 1013 |
| Теплопроводность, Вт/м˚C | 0,147 |
| Воспламеняемость | V-0 UL94 |
| Цвет | 7011 Темно-серый |
Монтаж
Водопровод собирается без тяжелого инструмента, сварки и дополнительного оборудования. Крепление осуществляется при помощи специального ПВХ клея, гарантирующего 100% герметизацию и неразрывность соединения. Для полной сборки трубной системы используются соединительные муфты, уголки, тройники и краны.
- Certi cate no 1111094 (PVC)
Certi cate no 1111095 (ABS) - Produkt gemäß das Arbeitsblatt DVGW W720 und die Richtlinien UBA (KTW) getestet
- UNI EN ISO 1452-3:2010 No iscrizione 295
- NF 055; NF EN 1452;
NF T 54-029 - Type Approval N° 37396 A0 in progress / in approvazione
- GOST
C - IT. 04.B.00412 - ACS (Attestation de Conformitè Sanitaire)
- BS EN 1452-3:2000 (PVC)
BS 5392-1:2006 - BS 5392-1:2006
- BRL-K 17301
Сертификация
- Питьевое водоснабжение
- Бассейны и SPA
- Фонтаны и сливные системы
- Сельское хозяйство и системы орошения
- Промышленность и системы напорных трубопроводов
Сфера применения
О компании Polipipe Italia
Концерн Polypipe Italia расположен на северо-западе Италии (район Генуи) и является одним из лидеров по производству фитингов и клапанов из PVC, ABS, PPH.
Вся продукция проходит тестирование на предмет выявления дефектов и соответствие заявленным эксплуатационным требованиям. Каждый клапан EFFAST (промышленного назначения) тестируется в вакууме перед началом отгрузки заказчику. В кранах EFFAST используются уплотнительные кольца из химически стойкого EPDM или FPM, что позволяет исключить любые протечки.
Продукты EFFAST от Polypipe Italia сертифицированы в соответствии с мировыми стандартами качества (Kiwa, NF, IIP, DVGW, WRAS, GOST), и отвечают требованиям ISO 9001 и ISO 14000.
Характеристики
Нет отзывов об этом товаре.
