



10
1217.00р.
При заказе через сайт скидка 7% по промокоду "2025"
Заводской артикул
3310Материал
АБС-пластик
Форсунка стеновая Hayward 3310 2"/1½" под бетон – это надежный и высококачественный элемент для систем бассейнов, который обеспечивает эффективное распределение воды и поддержание оптимального уровня циркуляции. Данная форсунка предназначена для установки в бетонные конструкции и идеально подходит для использования в частных и общественных бассейнах.
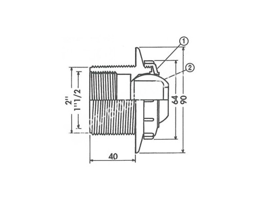
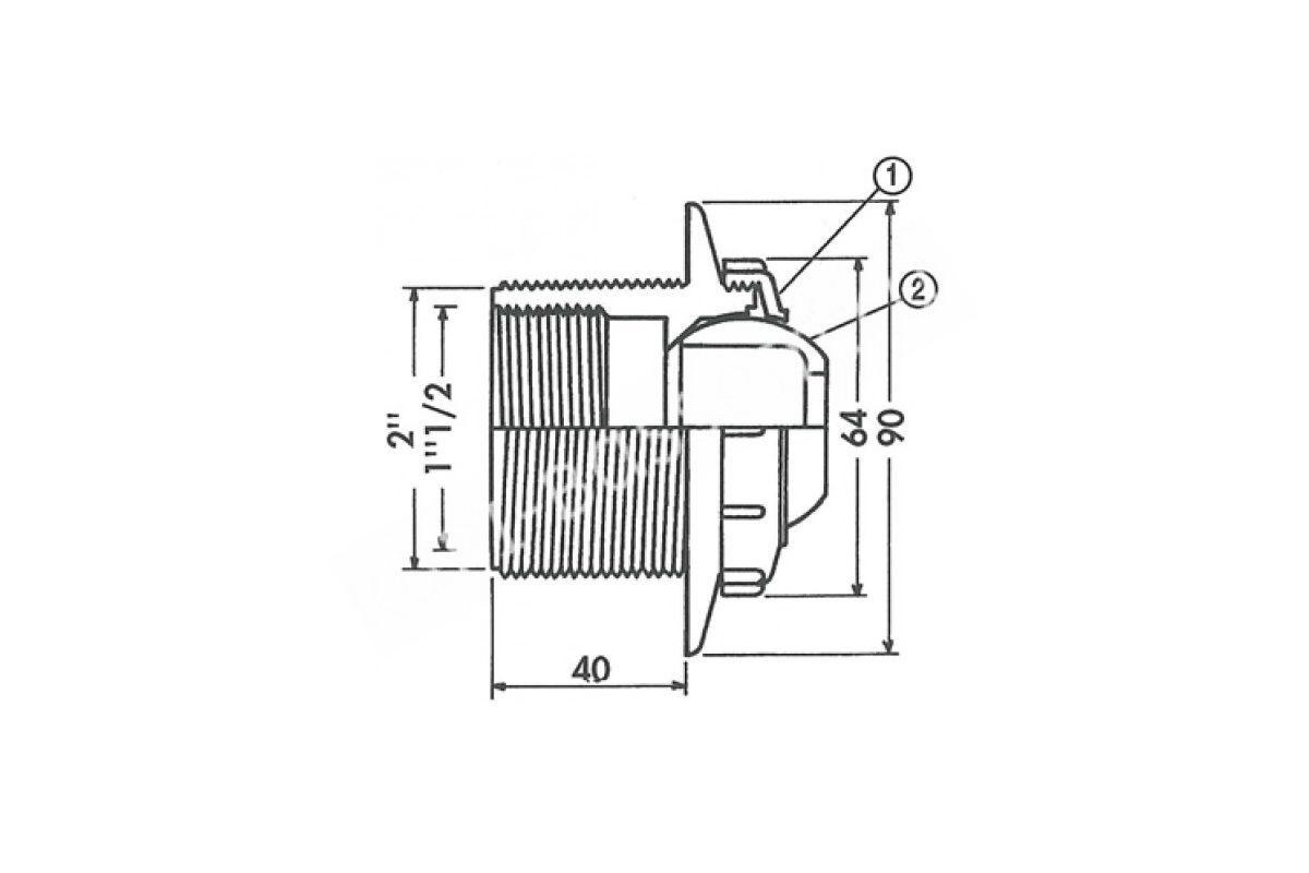
Одной из ключевых характеристик форсунки Hayward 3310 является ее универсальный размер. Она совместима с трубами диаметром 2 дюйма и 1½ дюйма, что делает ее подходящей для разнообразных систем водоснабжения и фильтрации. Это позволяет легко интегрировать форсунку в уже существующую инфраструктуру бассейна, не требуя дополнительных затрат на адаптацию.
Форсунка стеновая Hayward 3310 изготовлена из прочных и устойчивых к коррозии материалов, что гарантирует ее долговечность и надежность в эксплуатации. Она устойчива к воздействию химических веществ, содержащихся в бассейне, и не теряет своих эксплуатационных характеристик даже при длительном использовании. Это делает ее идеальным выбором для тех, кто ценит качество и долговечность оборудования.
Установка форсунки Hayward 3310 не требует специальных навыков и инструментов. Простая инструкция по монтажу позволит вам самостоятельно произвести установку, что значительно сэкономит ваши средства на услугах специалистов. Благодаря своему продуманному дизайну, форсунка обеспечивает надежное соединение с трубопроводом, предотвращая возможные утечки и обеспечивая стабильную работу системы.
Форсунка стеновая Hayward 3310 также отличается высоким уровнем производительности. Она обеспечивает равномерное распределение воды по всему объему бассейна, что способствует улучшению циркуляции и фильтрации. Это, в свою очередь, помогает поддерживать чистоту воды и снижает нагрузку на фильтрационную систему, продлевая срок ее службы.
Кроме того, форсунка Hayward 3310 имеет современный и стильный дизайн, который гармонично вписывается в любой интерьер бассейна. Она доступна в различных цветовых решениях, что позволяет выбрать наиболее подходящий вариант для вашего проекта. Эстетика и функциональность – это то, что делает эту форсунку отличным выбором для любого бассейна.
Приобретая форсунку стеновую Hayward 3310 2"/1½" под бетон, вы получаете надежный и эффективный элемент для вашего бассейна, который обеспечит долгую и безотказную работу системы. Не упустите возможность сделать ваш бассейн более комфортным и безопасным для купания. Заказывайте форсунку прямо сейчас и наслаждайтесь чистой и прозрачной водой в вашем бассейне круглый год!
Форсунка стеновая Hayward 3310 – это ваш надежный помощник в создании идеальных условий для отдыха и развлечений. Поддерживайте свой бассейн в отличном состоянии с помощью качественного оборудования от проверенного производителя.
Характеристики
Заводской артикул
3310
Материал
АБС-пластик
Подключение
2"
Пропускная способность, м³/ч
7
Размещение
Стеновое
Тип стенок
Бетон
Дополнительно
Материал: ABS пластикСопротивляемость: химическим и атмосферным воздействиямСоединение: наружное 2", внутреннее 1½"Тип установки: под бетон
Размер
90 х 58 мм
Вес, кг
0.1
Производитель
Hayward
Гарантия
12 месяцев
Страна производства
Франция
Отзывов: 0
Нет отзывов об этом товаре.
форсунка стеновая
Hayward 3310
форсунка под бетон
оборудование для бассейнов
бассейн
аксессуары для бассейна
форсунка 2 дюйма
форсунка 1½ дюйма
купи бассейн
бассейн оборудование
Hayward
форсунка для бассейна
стеновая форсунка
бассейновые аксессуары
Hayward
Hayward – один из ведущих производителей оборудования для бассейнов, который зарекомендовал себя как надежный и высококачественный бренд на рынке. С момента своего основания компания Hayward стремится предоставлять своим клиентам инновационные решени... Подробнее...Похожие товары