











1
109108.00р.
При заказе через сайт скидка 7% по промокоду "2025"
Заводской артикул
8600050Материал
Бронза Rg5
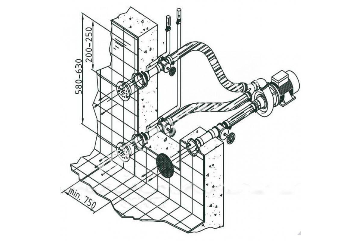
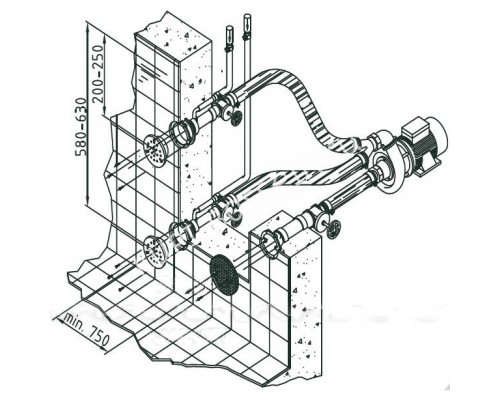
Проходы стеновые Fitstar 8600050, для Combi Whirl, 240 мм
Характеристики
Заводской артикул
8600050
Материал
Бронза Rg5
Размещение
Стеновое
Тип стенок
Бетон, Лайнер
Комплектация
Закладная деталь стеновой форсунки: 2 шт
Размер
Длина: 240 мм
Производитель
Fitstar
Страна производства
Германия
Отзывов: 0
Нет отзывов об этом товаре.